Alarmszerviz
Biztonságtechnika

06-23-510473
06-30-9427156


Lakásriasztók

Vezeték nélkülik

Távfelügyelet

Gépjárművédelem

Gsm riasztók

Leírások, rajzok

Áraink

E-mail küldés

. . . Ajánlott
Linkek

  Kezelési útmutatók, árlisták, valamint egyéb letölthető dokumentációk és leírások  
     
  Készülékek leírásai      
         
  G-Com gsm telefonhívó      
  Guard gépjármű védelem      
  S-Block rablásgátló      
  Szenzoros indításgátló      
  G-tel univerzális Gsm hívó      
         
  Riasztó bekötések        
           
  Magicar 8100        
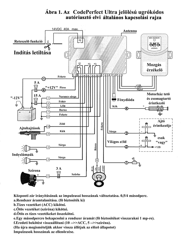
  Codeprefect ultra leírás        
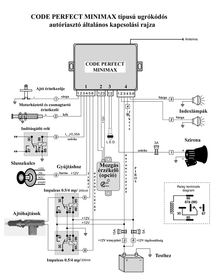
  Codeperfect mini        
  Codeperfect ultra bekötés        
           
  DSC leírások        
           
  DSC 585 kezelői leírás        
  DSC 1565 kezelői leírás        
  DSC 5020 kezelése        
  DSC 5010 kezelése        
  DSC 2550 kezelése        
           
  Telefonhívó leírások        
           
  A1018 beállításai        
         
Ha bármilyen kérdése van szívesen segítünk.

Hívjon telefonszámainkon: 0630-9427156, 0623-510473

         
Címünk:

2045. Törökbálint Pistály dűlő 53.

Céginformáció

Térképvázlat